【获取方式】点击右上方“立即购买”即可获取网盘下载链接,会员免费,其他支付方式:点我进入。客服微信号yjf8-com。
【资料简介】本资料为建筑工程现场施工质量标准化管理手册,共98页,仅供大家学习及工作中参考。
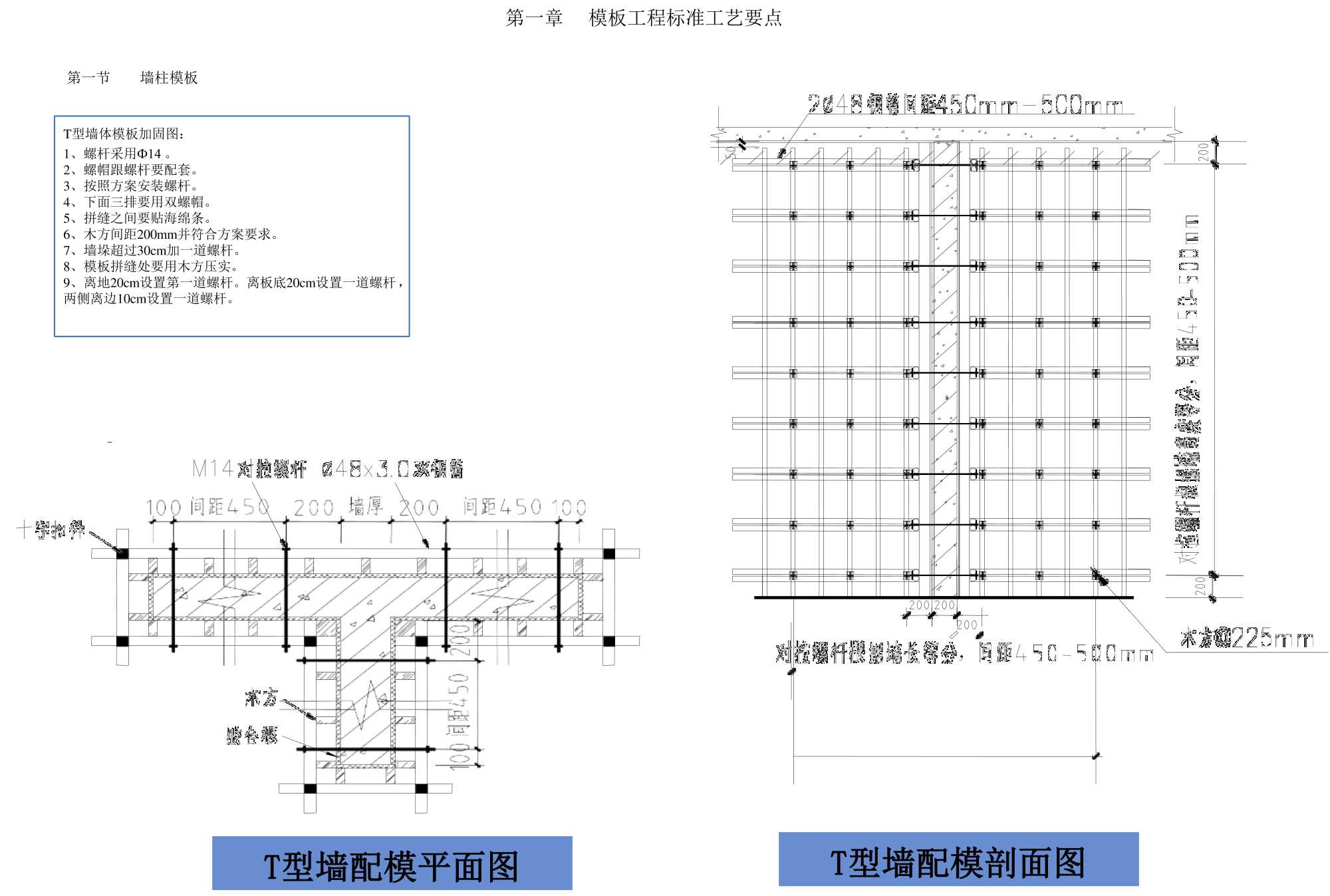
【部分内容截图】

【会员资料】一间房工程干货集(图文、资料下载、问答、视频):点我查看
【免责声明】除原创资料均源于网络,仅供学习参考,如有侵权请联系删除。
声明:本站部分内容转载自网络或由互联网用户自发贡献分享,本网站不拥有所有权,也不承担相关法律责任。如果您发现有涉嫌版权的内容,欢迎发送邮件至:859582356@qq.com 进行举报,并提供相关证据,工作人员会在5个工作日内联系你,一经查实,本站将立刻删除涉嫌侵权内容。








